Описание
Лебедки серии EWB – не просто влагозащищенные, они обладают герметичностью по стандарту IP67.
В конструкции лебедок серии EWB применяются, в качестве уплотнительных элементов, полноценные сальники, которые на 100% защищают мотор и редуктор лебедки от попадания влаги. Даже долговременное погружение и работа под водой не страшны лебедкам этой серии. Лебедки серии EWB выбирают постоянные участники внедорожных соревнований и любители тяжелого оффроуда.
Использование сальников в конструкции позволяет увеличить межсервисный интервал и в целом значительно продлить жизнь лебедке.
На данной модели лебедки блок соленоидов крепится над мотором. С точки зрения эксплуатации это более удобный вариант, т.к. блок не перекрывает доступ к барабану с тросом и разместить лебедку на площадке можно не перенося блок куда-либо.
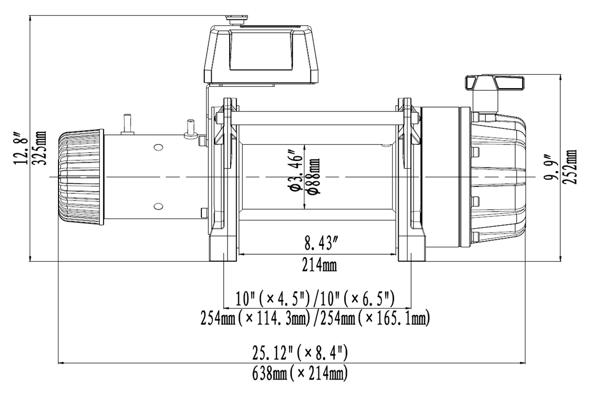
Технические характеристики
- Тяговое усилие, lbs/кг: 18000 lbs / 8165 кг
- Мотор: 12В, потребляемая мощность: 5.5кВт / 7.4лс; мощность выходная: 2.9 кВт / 3.9 лс
- Передаточное число редуктора: 370:1
- Трос: сталь, длина – 26,5 м, диаметр – 12 мм
- Размер барабана: 88х214 мм
- Присоединительные размеры: 254 мм×114.3 мм / 254 мм×165.1 мм
- Внешние габариты: 638 мм×214 мм×325 мм
Тяговое усилие, скорость, ток и напряжение на первом слое троса
| Тяговое усилие, lbs/кг | Скорость сматывания, м/мин | Ток, А |
| 0 | 8.0 | 60 |
| 6000/2722 | 3.2 | 180 |
| 10000/4536 | 2.4 | 260 |
| 14000/6350 | 2.0 | 320 |
| 18000/8165 | 1.5 | 360 |
Тяговое усилие и запас троса по слоям
| Слой | Тяговое усилие, lbs/кг | Остаток троса на барабане, м |
| 1 | 18000/8165 | 5,6 |
| 2 | 14516/6584 | 12 |
| 3 | 12162/5516 | 20 |
| 4 | 10465/4747 | 26,5 |
Установка электрической лебедки на автомобиль требует внимательности, чтобы обеспечить безопасность и правильную работу системы. Есть некоторые нюансы, которые стоит учитывать:
1. Выбор места установки: Выберите прочное место для установки лебедки, которое обеспечивает достаточную поддержку и устойчивость. Учитывайте доступность для обслуживания и безопасность при использовании.
Вот несколько распространенных мест, которые считаются удобными для установки лебедки:
Передний бампер: Это одно из наиболее распространенных мест для установки лебедки. Передний бампер обеспечивает прочную и устойчивую платформу для лебедки и обычно легко доступен для обслуживания.
Задний бампер: Установка лебедки на задний бампер может быть полезной, если требуется поднимать или буксировать объекты сзади. Однако это может потребовать изменений в конструкции заднего бампера или багажника.
Специализированные крепления: Существуют также специализированные крепления и площадки, которые позволяют устанавливать лебедку в различных местах на внедорожнике, включая багажник или квадрат под фаркоп.
2. Необходимость дополнительных компонентов: Установка лебедки может потребовать дополнительных компонентов, таких как крепления, кабели, выключатели, кнопки на приборной панели и прочее. Убедитесь, что у вас есть все необходимое оборудование перед началом установки.
3. Электрические подключения: Правильное подключение электрических компонентов лебедки к аккумулятору и управляющей панели критически важно для безопасной и правильной работы. Убедитесь, что провода подключены правильно и надежно изолированы.
4. Крепление кузова: Лебедка должна быть крепко закреплена к кузову автомобиля с использованием подходящих крепежных элементов. Это обеспечит безопасность и предотвратит повреждения кузова при использовании лебедки.
5. Проверка перед использованием: Перед первым использованием лебедки проведите тщательную проверку всех компонентов и соединений, чтобы убедиться, что они работают правильно и безопасно.
Купить электрическую автомобильную лебедку по выгодной цене в Минске с доставкой по Беларуси, а так же заказать установку можно у официального дилера – 4wd.by

















Отзывы
Отзывов пока нет.